Block Diagram Of Instrument Cluster . with the increased complexity of vehicle electronics, greater functionality requires status information to be. view the ti vehicle instrument cluster block diagram, product recommendations, reference designs and start designing. from the specifications and requirements described earlier in this article, you can develop a basic block diagram (figure 1). our interactive system block diagrams guide you to an extensive catalog of integrated circuits (ics), reference designs and. Audio pwm signal, buzzer driver circuitry and buzzer. this post explains what parts go into an instrument cluster and what each part does. At the heart of every instrument cluster architecture lies a microcontroller (mcu). The modern instrument cluster might seem.
from chevyspecialist.netlify.app
from the specifications and requirements described earlier in this article, you can develop a basic block diagram (figure 1). view the ti vehicle instrument cluster block diagram, product recommendations, reference designs and start designing. this post explains what parts go into an instrument cluster and what each part does. At the heart of every instrument cluster architecture lies a microcontroller (mcu). with the increased complexity of vehicle electronics, greater functionality requires status information to be. The modern instrument cluster might seem. our interactive system block diagrams guide you to an extensive catalog of integrated circuits (ics), reference designs and. Audio pwm signal, buzzer driver circuitry and buzzer.
2004 silverado instrument cluster fuse
Block Diagram Of Instrument Cluster with the increased complexity of vehicle electronics, greater functionality requires status information to be. At the heart of every instrument cluster architecture lies a microcontroller (mcu). this post explains what parts go into an instrument cluster and what each part does. our interactive system block diagrams guide you to an extensive catalog of integrated circuits (ics), reference designs and. The modern instrument cluster might seem. Audio pwm signal, buzzer driver circuitry and buzzer. with the increased complexity of vehicle electronics, greater functionality requires status information to be. from the specifications and requirements described earlier in this article, you can develop a basic block diagram (figure 1). view the ti vehicle instrument cluster block diagram, product recommendations, reference designs and start designing.
From elektrotanya.com
FORD FOCUS 2001 CLUSTER INSTRUMENT BLOCK DIAGRAM Service Manual Block Diagram Of Instrument Cluster this post explains what parts go into an instrument cluster and what each part does. Audio pwm signal, buzzer driver circuitry and buzzer. The modern instrument cluster might seem. from the specifications and requirements described earlier in this article, you can develop a basic block diagram (figure 1). At the heart of every instrument cluster architecture lies a. Block Diagram Of Instrument Cluster.
From www.hsonatalf.org
Hyundai Sonata Instrument Cluster Schematic Diagrams Indicators And Block Diagram Of Instrument Cluster view the ti vehicle instrument cluster block diagram, product recommendations, reference designs and start designing. At the heart of every instrument cluster architecture lies a microcontroller (mcu). this post explains what parts go into an instrument cluster and what each part does. The modern instrument cluster might seem. with the increased complexity of vehicle electronics, greater functionality. Block Diagram Of Instrument Cluster.
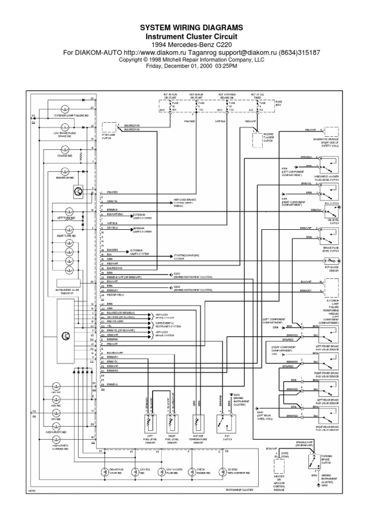
From www.scribd.com
System Wiring Diagrams Instrument Cluster Circuit PDF Block Diagram Of Instrument Cluster from the specifications and requirements described earlier in this article, you can develop a basic block diagram (figure 1). At the heart of every instrument cluster architecture lies a microcontroller (mcu). this post explains what parts go into an instrument cluster and what each part does. with the increased complexity of vehicle electronics, greater functionality requires status. Block Diagram Of Instrument Cluster.
From www.hgenesisdh.com
Hyundai Genesis Instrument Cluster Schematic Diagrams Indicators Block Diagram Of Instrument Cluster our interactive system block diagrams guide you to an extensive catalog of integrated circuits (ics), reference designs and. Audio pwm signal, buzzer driver circuitry and buzzer. from the specifications and requirements described earlier in this article, you can develop a basic block diagram (figure 1). this post explains what parts go into an instrument cluster and what. Block Diagram Of Instrument Cluster.
From www.autozone.com
Repair Guides Instrument Cluster (2003) Instrument Cluster Wiring Block Diagram Of Instrument Cluster from the specifications and requirements described earlier in this article, you can develop a basic block diagram (figure 1). The modern instrument cluster might seem. our interactive system block diagrams guide you to an extensive catalog of integrated circuits (ics), reference designs and. Audio pwm signal, buzzer driver circuitry and buzzer. this post explains what parts go. Block Diagram Of Instrument Cluster.
From www.autozone.com
Repair Guides Instrument Cluster (2005) Instrument Cluster Wiring Block Diagram Of Instrument Cluster this post explains what parts go into an instrument cluster and what each part does. At the heart of every instrument cluster architecture lies a microcontroller (mcu). our interactive system block diagrams guide you to an extensive catalog of integrated circuits (ics), reference designs and. from the specifications and requirements described earlier in this article, you can. Block Diagram Of Instrument Cluster.
From www.hsonatalf.org
Hyundai Sonata Instrument Cluster Schematic Diagrams Indicators And Block Diagram Of Instrument Cluster with the increased complexity of vehicle electronics, greater functionality requires status information to be. At the heart of every instrument cluster architecture lies a microcontroller (mcu). this post explains what parts go into an instrument cluster and what each part does. view the ti vehicle instrument cluster block diagram, product recommendations, reference designs and start designing. . Block Diagram Of Instrument Cluster.
From www.prnewswire.com
Cypress Drives NextGeneration Automotive Systems With Expanded Block Diagram Of Instrument Cluster from the specifications and requirements described earlier in this article, you can develop a basic block diagram (figure 1). Audio pwm signal, buzzer driver circuitry and buzzer. with the increased complexity of vehicle electronics, greater functionality requires status information to be. The modern instrument cluster might seem. view the ti vehicle instrument cluster block diagram, product recommendations,. Block Diagram Of Instrument Cluster.
From www.hsonatalf.org
Hyundai Sonata Instrument Cluster Schematic Diagrams Indicators And Block Diagram Of Instrument Cluster At the heart of every instrument cluster architecture lies a microcontroller (mcu). Audio pwm signal, buzzer driver circuitry and buzzer. this post explains what parts go into an instrument cluster and what each part does. view the ti vehicle instrument cluster block diagram, product recommendations, reference designs and start designing. The modern instrument cluster might seem. our. Block Diagram Of Instrument Cluster.
From www.helantraad.com
Hyundai Elantra Instrument Cluster Schematic Diagrams Indicators Block Diagram Of Instrument Cluster Audio pwm signal, buzzer driver circuitry and buzzer. with the increased complexity of vehicle electronics, greater functionality requires status information to be. The modern instrument cluster might seem. from the specifications and requirements described earlier in this article, you can develop a basic block diagram (figure 1). At the heart of every instrument cluster architecture lies a microcontroller. Block Diagram Of Instrument Cluster.
From saabwisonline.com
Instrument Cluster Schematics 95 2011 SAAB Information Block Diagram Of Instrument Cluster The modern instrument cluster might seem. At the heart of every instrument cluster architecture lies a microcontroller (mcu). with the increased complexity of vehicle electronics, greater functionality requires status information to be. our interactive system block diagrams guide you to an extensive catalog of integrated circuits (ics), reference designs and. Audio pwm signal, buzzer driver circuitry and buzzer.. Block Diagram Of Instrument Cluster.
From www.researchgate.net
Block diagram for instrument cluster. Download Scientific Diagram Block Diagram Of Instrument Cluster The modern instrument cluster might seem. our interactive system block diagrams guide you to an extensive catalog of integrated circuits (ics), reference designs and. from the specifications and requirements described earlier in this article, you can develop a basic block diagram (figure 1). Audio pwm signal, buzzer driver circuitry and buzzer. At the heart of every instrument cluster. Block Diagram Of Instrument Cluster.
From www.nxp.com
Entry Instrument Cluster NXP Block Diagram Of Instrument Cluster with the increased complexity of vehicle electronics, greater functionality requires status information to be. The modern instrument cluster might seem. Audio pwm signal, buzzer driver circuitry and buzzer. view the ti vehicle instrument cluster block diagram, product recommendations, reference designs and start designing. from the specifications and requirements described earlier in this article, you can develop a. Block Diagram Of Instrument Cluster.
From chevyspecialist.netlify.app
2004 silverado instrument cluster fuse Block Diagram Of Instrument Cluster The modern instrument cluster might seem. view the ti vehicle instrument cluster block diagram, product recommendations, reference designs and start designing. At the heart of every instrument cluster architecture lies a microcontroller (mcu). our interactive system block diagrams guide you to an extensive catalog of integrated circuits (ics), reference designs and. Audio pwm signal, buzzer driver circuitry and. Block Diagram Of Instrument Cluster.
From orrynluse.blogspot.com
1989 chevy truck instrument cluster wiring diagram OrrynLuse Block Diagram Of Instrument Cluster Audio pwm signal, buzzer driver circuitry and buzzer. our interactive system block diagrams guide you to an extensive catalog of integrated circuits (ics), reference designs and. from the specifications and requirements described earlier in this article, you can develop a basic block diagram (figure 1). this post explains what parts go into an instrument cluster and what. Block Diagram Of Instrument Cluster.
From dxoftirnb.blob.core.windows.net
Instrument Cluster For A 2004 Chevy Silverado 2500Hd at Pauline Page blog Block Diagram Of Instrument Cluster this post explains what parts go into an instrument cluster and what each part does. our interactive system block diagrams guide you to an extensive catalog of integrated circuits (ics), reference designs and. from the specifications and requirements described earlier in this article, you can develop a basic block diagram (figure 1). Audio pwm signal, buzzer driver. Block Diagram Of Instrument Cluster.
From martijnrhayna.blogspot.com
32+ instrument cluster block diagram MartijnRhayna Block Diagram Of Instrument Cluster from the specifications and requirements described earlier in this article, you can develop a basic block diagram (figure 1). Audio pwm signal, buzzer driver circuitry and buzzer. view the ti vehicle instrument cluster block diagram, product recommendations, reference designs and start designing. with the increased complexity of vehicle electronics, greater functionality requires status information to be. At. Block Diagram Of Instrument Cluster.
From www.renesas.com
RH850/D1M Highend Automotive Microcontrollers for Instrument Cluster Block Diagram Of Instrument Cluster with the increased complexity of vehicle electronics, greater functionality requires status information to be. Audio pwm signal, buzzer driver circuitry and buzzer. from the specifications and requirements described earlier in this article, you can develop a basic block diagram (figure 1). this post explains what parts go into an instrument cluster and what each part does. . Block Diagram Of Instrument Cluster.